CA88手机登录

Positioner Series
Double axis positioner
  • Hotline: +86 (0)512-57328118

  • Mailbox:sales@huahengweld.com

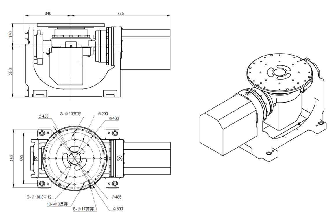
  • Description

        The positioner series tooling can be used for various automatic welding or manual welding to realize pipe butt joint, pipe end face welding and various welding forms such as shafts, discs, and cylinders. It has compact structure, beautiful appearance and light weight. Convenient operation and other advantages, it is an ideal welding auxiliary equipment for pressure vessels, metallurgy, electric power, chemical machinery, metal structures and other industries.

    Technical parameter

    Project

    Parameter

    Number of positioner axes

    2 axes (flip axis, rotary axis)

    Range of motion

    Flip axis

    270?(-135?~+135?)

    Rotary axis

    480?(-240?~+240?)

    Maximum action speed

    Flip axis

    140?/SEC

    Rotary axis

    115?/SEC

    Maximum load

    500kg

    Work surface size

    ?500mm

    Maximum center of gravity

    350mm

    Start, Stop Allowable torque

    Flip axis

    3920Nm

    Rotary axis

    3000Nm

    Reduction ratio

    Flip axis

    129

    Rotary axis

    156

    Quality

    345kg

    Repeatability

    0.1mm

    相关标签: ?PositionerSeries,Doubleaxispositioner价钱,Doubleaxispositioner批发

    Previous: None
    Next: Positioner series
    网站地图